ASCO LI WSLI Series | Ex ia Intrinsically Safe ATEX IECEx Solenoid Valve Operators 3/2

ASCO LI WSLI Series | Ex ia Intrinsically Safe Operators
ASCO li wsli Solenoid valve Operators
EX ia intrinsically safe
ASCO LI WSLIÂ explosion proof solenoid valve operators are ATEX certified for installation in potentially explosive atmospheres located in hazardous areas.
The solenoid operators with Intrinsically Safe IEC explosion protection techniques, are suitable for use in hazardous areas with exposure to gas, classified as Zone 0.
Hazardous Area Classification & Ex Safety Code

ATEX Solenoid Valves
Ex II 1G Ex ia IIC T6 Ga
Ex II 2D Ex tb IIIC T85°C IP66/IP67 Db
EC type certificate LCIE 09 ATEX 3054 X and IECEx certificate IECEx LCI 09.0022X. IP66/IP67 ingress protection.
The Ex ia solenoid operators used in conjunction with valves are compliant with International and European Standards EN-IEC 60079-0, EN-IEC 60079-11 and EN-IEC 60079-31 and also certified for use in potentially explosive atmospheres according to ATEX-Directive 2014/34/EU.
ASco li wsli valve operators – features
- Ingress Protection Rating: IP66/IP67
- The solenoid operators have a cataphorese black painted Aluminium (LI) or 316L grade Stainless Steel (WSLI) enclosure which is provided with a cable gland for unarmoured cable with an o.d. of 6 to 12 mm
- ASCO LI & WSLI operators are easily installed with a screw terminal coil
- Peak voltage suppression is standard for DC executions
- A range of solenoid valves can be supplied with the Ex ia operators
asco li wsli operators – CONSTRUCTION
| Solenoid enclosure | LI – Cataphorese black painted Aluminium WSLI – Stainless steel (AISI 316L) |
| Bonnet | LI Stainless steel WSLI Stainless steel (AISI 316L) |
| Cover Screws | Stainless Steel |
| Cable gland | Polyamide (PA), 1/2 NPT (cable Ø 7-12 mm) |
| Core, core tube and plugnut | Stainless steel |
| Seals | VMQ |
| Nameplate |
Stainless Steel |
| Coil connection | Embedded screw terminals |
| Upper Disc | FPM |
| Lower Disc | NBR |
| Safety code | Ex II 1G Ex ia IIC T6 Ga Ex II 2D Ex tb IIIC T85°C IP66/IP67 Db |
asco ex ia valve operators – ELECTRICAL CHARACTERISTICS & Connections
Standard voltages:
- DC (=) : 24V
- Coil Insulation Class: F
- Voltage (Un) (Maximum ripple 10%): 24 Volts
- Power Ratings (Pn) – Hot/Cold = : 0.5 Watts
- Typical Functional Ratings: I (ON) Minimum – 32 mA | U (ON) Minimum – 12.5 Volts
- Temperature Rating: 20°C – 288 Ω | T6  – 354 Ω
Connections:
- Electrical connection between solenoid valve and barrier/interface with cable type A or B according to EN 50039
- Internal and external earthing connection
- The operator is able to be rotated through a full 360° to select the most favourable position for cable entry
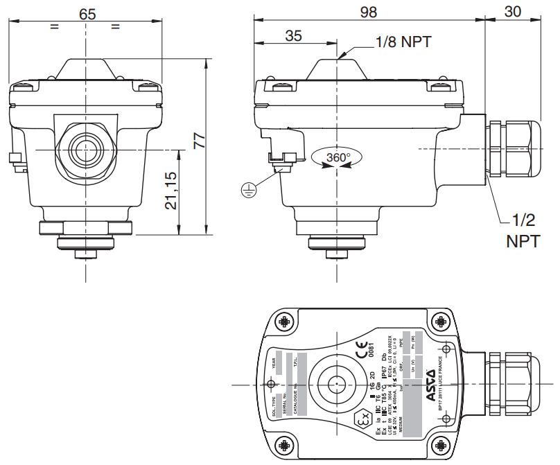
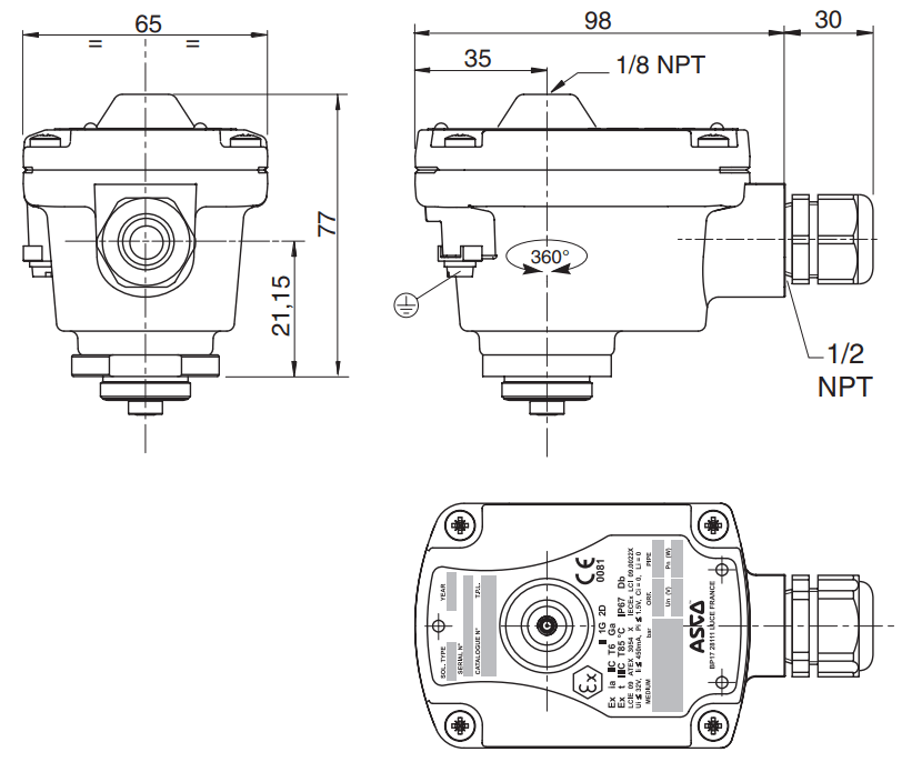
Ex ia intrinsically safe valve operators – dimensions
TYPE LI
Prefix “LI” Solenoid
Aluminium, cataphorese black painting
Weight: 0.56 kg
IEC and EN: 60079-11, 60079-31
II 1G Ex ia IIC T6 Ga, II 2D Ex tb IIIC T85°C IP66/IP67 Db

ASCO LI Series Solenoid Valve Operators | Dimensions (mm)
TYPE WSLI
Prefix “WSLI” Solenoid
Stainless steel
Weight: 1.17 kg
IEC and EN: 60079-11, 60079-31
II 1G Ex ia IIC T6 Ga, II 2D Ex tb IIIC T85°C IP66/IP67 Db

ASCO WSLI Solenoid Valve Operators | Dimensions (mm)

ASCO – Hazardous Area Solenoid Valves With ATEX & IECEx Certification
recommended interfaces
asco li & wsli
This equipment must be ordered from its respective manufacturers, specifying that they are intended to feed intrinsically safe solenoid operators: LI & WSLI: II 1G Ex ia IIC T6 Ga, II 2D Ex tb IIIC T85°C IP66/IP67 Db
| Interfaces | ||
| Manufacturer | Module Type | 1G/2G T6 IIC |
| ABB | DO910S | X |
| Bartec | 07-7331-2105/1000 07-7331-2301/1100 |
X |
| GEORGIN | BXNE701002 BXNE70100E |
X |
| G.M. International | D1040Q-2 | D1049S D1042Q-2 | D5048S D1043Q-2 | D5049S D1048S |
X |
| MTL | MTL 722+ | MTL 779 MTL 728+ | MTL 4524S MTL 728P+ |
X |
| Pepperl + Fuchs | KFD2-SL2-Ex1 KFD2-SL2-Ex1.B KFD2-SL2-Ex1.LK KFD2-SL2-Ex2 KFD2-SL2-Ex2.B KCD0-SD-Ex1.1245 KFD0-SD2-Ex2.1245 LB-2103 | FB-2203 LB-2105 | FB-2205 LB-2112 | FB-2212 |
X |
| PHEONIX CONTACT | MACX MCR-EX-SD-24-48-LP(-SP) MACX MCR-EX-SD-21-60-LP(-SP) PI-EX-SD-24-48 x PI-EX-SD-21-60 |
X |
| Stahl | 9475/12-04-11 | 9175/20-14-11 9475/12-04-21 | 9176/10-14-00 9475/12-04-31 | 9176/20-14-00 9475/32-04-12 | 9175/10-16-11 9475/32-04-22 | 9175/20-16-11 9475/32-04-72 | 9176/10-16-00 9175/10-14-11 | 9176/20-16-00 9001/01-280-100-101 9002/13-280-110-001 |
X |
| Turck | MK72-S09-Ex0/24VDC MC72-41Ex-T/24VDC MC72-44Ex-T |
X |
| Siemens | 6ES7132-7RD11-0AB0 2 ways 6ES7132-7RD21-0AB0 6ES7132-7GD10-0AB0 2 ways 6ES7132-7GD20-0AB0 |
X |
| Zener Barriers | ||
| Bartec | 07-7331-2301/1001 | X |
| CEAG | SB-3722 SB-2420 SB-3729 SB-3728 SB-0728 |
X |
| GEORGIN | BZG728+ BZG2728+ BZG728P+ BZG2728P+ |
X |
| MTL | MTL 722 | MTL 728P MTL 728 | MTL 779 |
X |
| Pepperl + Fuchs | Z728 Z728.H Z728.CL |
X |
| Stahl | 9001/01-199-150-101 9001/01-280-085-101 9001/01-280-100-101 9001/01-280-110-101 |
X |

Flameproof | Encapsulated | Increased Safety | Intrinsically Safe | Non-Sparking Explosion Proof
